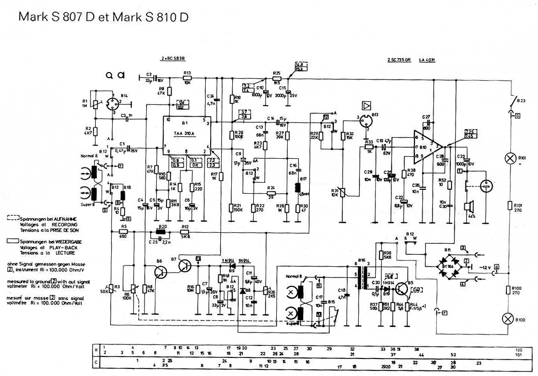
Projecteur Eumig S 810 D - Pas de son + Fusible qui grille
Discussion dans 'Film argentique : projection et numerisation' créé par bondu, 24 Décembre 2021.
Tags:
Chargement...
- Discussions similaires - Projecteur Eumig 810
-
[Problème] lampe pour projecteur eumig novo
- Réponses:
- 7
- Nb. vues:
- 423
-
[Problème] projecteur eumig r2000
- Réponses:
- 4
- Nb. vues:
- 819
-
- Réponses:
- 2
- Nb. vues:
- 796
-
[Problème] Projecteur Eumig P8 phonomatic..
- Réponses:
- 10
- Nb. vues:
- 1 272
-
- Réponses:
- 197
- Nb. vues:
- 7 662













